AM71ZCA4 LAFERT .55KW .75 HP 1660 RPM FR# 71 230/460 VAC
AM71ZCA4 LAFERT 3/4HP 1800 71B3 TEFC 230V,460V IEC Motor JCT BOX F3
HP 3/4
RPM 1800
Voltage 230V, 460V
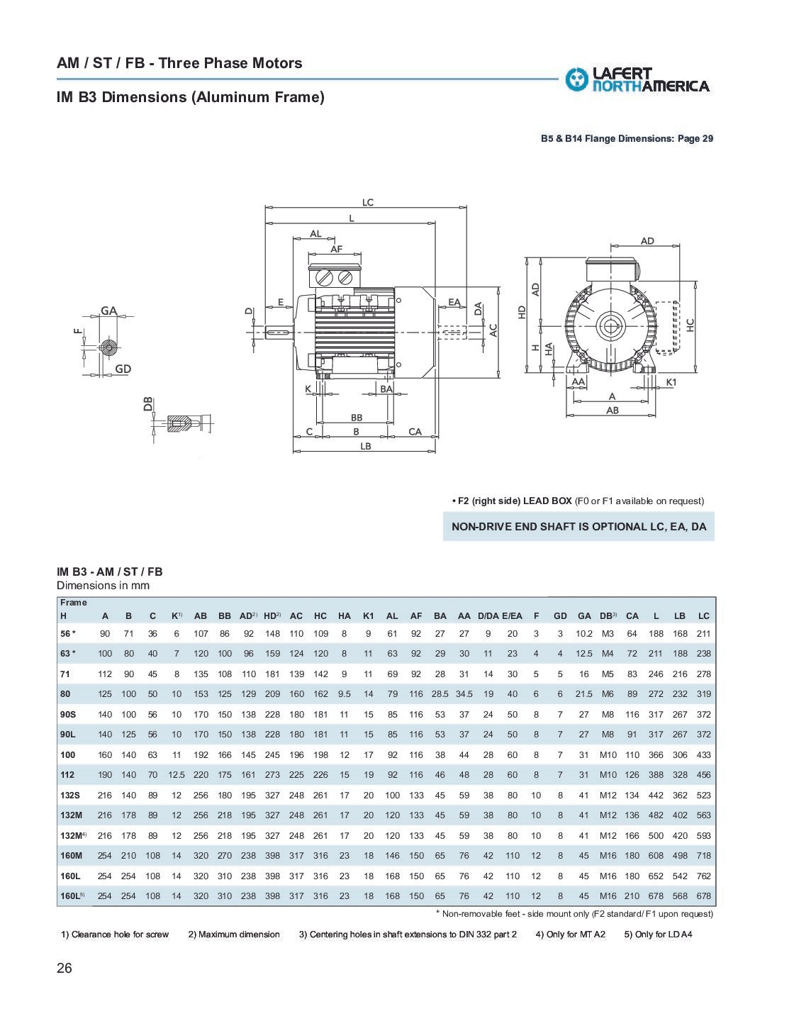
Frame 71B3
Phase 3
Enclosure TEFC
Material Aluminum
Mounting B3
RPM 1800
Voltage 230V, 460V
Frame 71B3
Phase 3
Enclosure TEFC
Material Aluminum
Mounting B3






